CZone & NMEA 2000 Network Bridge
CZone & NMEA 2000 Network Bridge
SKU:CZN80-911-0057-00
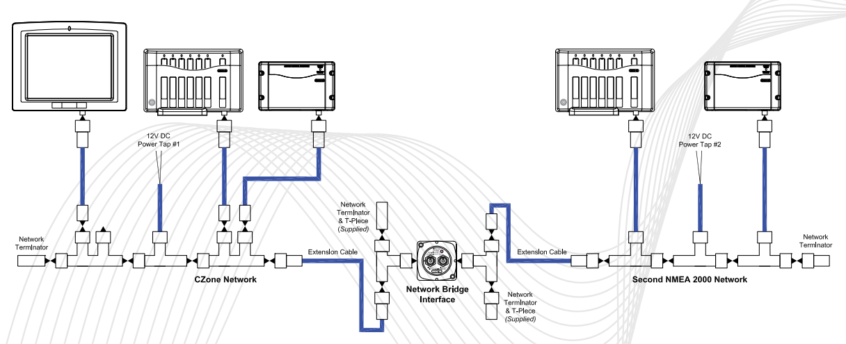
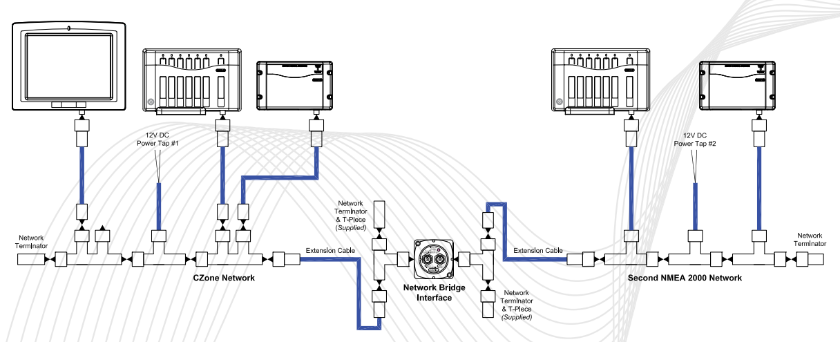
The CZone/NMEA 2000 Network Bridge allows the connection and communication of two NMEA 2000 networks but isolates power.
The NMEA 2000 network has a maximum amount of 40 devices (nodes) before expansion is required. This bridge allows you to expand beyond 40 devices by connecting two NMEA 2000 networks allowing you to have 40 devices per network (80 total).
CZone is not required for this device. You can use it to connect any two NMEA 2000 based networks.
Common Applications:
- Expanding networks with more than 40 devices
- Isolating power of a 24 hour network and a switched power network
- Linking communication, but isolating power, of 2 different NMEA 2000 networks
- Ex. CZone & MFD Network
Specifications
Specifications
Connects two CZone/NMEA 2000 networks. Allows communication between both networks but isolates power.
CZone is not required for this device. You can use it to connect any two NMEA 2000 based networks.
Package Includes:
Network bridge
Installation Details
Installation Details
The network bridge acts as a device for both the NMEA 2000 networks being connected to. There are 2 NMEA 2000 ports on the device and each porch should be connected via a drop cable into the respective NMEA 2000 networks.
Since the network bridge isolates power you will need to power both NMEA 2000 networks separately.
Pelagic Power Tip
Pelagic Power Tip
Many boats have both CZone devices and MFD devices running on NMEA 2000. We commonly use this bridge to treat each network separately but still allow shared communication and control.
There are a couple benefits of this approach.
the first is you can have up to 40 devices on each network and don't have to worry about running out for future additions.
The other is power isolation. Since CZone is commonly connected to 24 hour loads, like bilge pumps, you can power the CZone network with 24 hour power, and the MFD network with switched power. This prevents unnecessary power draw.
Lastly, diagnosis is made much easier when you only have to view NMEA 2000 devices on one side of the network instead of every device on the boat.
Low stock: 2 left
Couldn't load pickup availability
